Toyota 86 Wiring Diagram
The vehicles with the most documents are the other model, prius and camry. Toyota car stereo wiring diagram harness pinout connector.
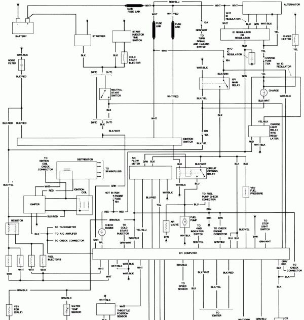
1986 Toyota Pickup Wiring Diagram
Describe the meaning of the s/d in diagram component t.

Toyota 86 wiring diagram. Toyota 86 reverse camera wiring diagram list of wiring how tricky they are to wire up to the van. The car was equipped with engines 1 5 1 6 1 9 2 0 in combination with a four speed manual gearbox. With such an illustrative guide, you’ll be capable of troubleshoot, stop, and total your assignments easily.
Our toyota automotive repair manuals are split into five broad categories; Dec 13, 2004, 10:56:39 pm » do u eman hot wire the fule pump. Describe the meaning of the c13 in the diagram component q.
A restyled version of the fifth generation of the toyota 4runner.the car presentation was held in april 2013 in california (usa). Hi, here is toyota gt86 wiring diagram for who need! Does anyone have a gr86 technical wiring diagram yet?
The first two door pickup truck toyota hilux was produced from 1968 to 1972. Abbreviations the following abbreviations are used in this manual. Dear sir iwill be grateful if you added the wiring diagram for toyota crown 1994 +2000 and toyota mark2_1994 & kia sephia+pregio1995&daewoo prince or brougham 1994 in english please god bless you #1.
51 rows all toyota 86/gt86 info & diagrams provided on this site are provided for general. #3 · jan 29, 2022. 1970 corolla 1100 1200 wiring diagram, 1972 toyota celica ta22 wiring diagram, 1974 toyota corolla wiring diagram, 1986 toyota 22rtere efi wiring diagram, 1986 toyota celica starting system wiring diagram, 1989 toyota 4runner fuel pump wiring diagram, 1990 toyota camry ac clutch light.
Toyota 86 owner’s manuals (pdf) toyota allion owner’s manuals (pdf) toyota alphard owner’s manuals (pdf) toyota aqua owner’s manuals (pdf). Cuz if u do that and u get power to it and it works jsut check the fuse and if anything just rewire it your self so it works and go out side of how it came and jsut do ur own work on it. Evinrude etec 75 hp manual 2017, tk 780 programming manual, toyota 86 owners manual.
Get 2018 toyota wiring diagrams for your car or truck engine, electrical system, troubleshooting, schematics, free toyota wiring diagrams These cars have the bulk of our pdf’s for this. Im victim of a worn subwoofer and thinking about going aftermarket.
Avalanche wiring diagram, radio replacement interface. Hi, 2 days ago i gave thanks and reputation, so far there is no password. Toyota supra ma70 1990 wiring diagrams.
Toyota supra jza80 1995 wiring diagrams. Hilux back up wiring diagram. My local dealer that i have a good repore with just told me that the wiring diagram fsm book is no longer avalible.
Uhf cb transceiver 14 pages. Bad ground wire on 2005 chevy tahoe z71. Gen 2 light came on and i cooked the batt that supplys the 12 volts (the one in the front).
Each part ought to be set and connected with different parts in specific manner. 2022 gr86 6at base steel. If not, the arrangement won’t work as it ought to be.
Trying to figure out what components i would need to bypass or integrate. Describe the meaning of the 2 in diagram component s. Discussion in 'the hokey ass message board' started by gahi, apr 25, 2008.
Im trying to track down a wiring diagram for 2002 toyota avalon xls with jbl audio. Toyota 3314 other manual 2 manual 138 pages. It went to reprint and now that those are gone none are to.
Trying to figure out if the oem sub is being powered by the head unit or if there is a separate amp that handles this setup. Toyota supra jza70 ewd electronic fuel injection I need a wiring diagram for an 86 pickup (22re) « reply #3 on:
Fuse box diagram (fuse layout), location, and assignment of fuses and relays toyota 86, gt86, ft86 (2012, 2013, 2014, 2015, 2016, 2017, 2018). Been carrying on a discussion for a bit in the general forum relative to the rear amp wiring, and in my efforts to figure stuff out, obtained this in my searching. Should be helpful for those working on audio/electrical solutions for the brz/86.
Fsm wiring diagram book for a 86. Describe and identify the diagram component u. Toyota workshop manuals, toyota owners manuals, toyota wiring diagrams, toyota sales brochures and general miscellaneous toyota downloads.
Understanding toyota wiring diagrams worksheet #1 1.

86 Toyota Fuse Box Diagram 86 Corolla Fuse Box Wiring Diagrams Object Patch Object Patch
1986 Toyotum Pickup Wiring Harnes
FSM wiring diagram book for a 86 4x4 and OffRoad Forum

FSM wiring diagram book for a 86 4x4 and OffRoad Forum Diagram, Toyota
Help with electric retract mirrors... Toyota GR86, 86, FRS and Subaru BRZ Forum
86 Toyota Pickup Wiring Diagram

86 Toyota 22re that randomly when started its way overfueling mainly happens on a restart when
1986 Toyota Headlight Wiring Diagram Schematic schematic and wiring diagram
1986 Toyota Pickup Wiring Diagram

86 Toyota Pickup Wiring Diagram

1986 Toyota Pickup Headlight Wiring Diagram Wiring Diagram and Schematic
86 Taurus Wiring Diagram schematic and wiring diagram
Toyotum Gt 86 Wiring Diagram Complete Wiring Schemas
FSM wiring diagram book for a 86 4x4 and OffRoad Forum
FSM wiring diagram book for a 86 4x4 and OffRoad Forum

Anyone make front side markers blink with turn signals? Toyota GR86, 86, FRS and Subaru BRZ


